Home › Unlabelled ›
6 Lead Single Phase Motor Wiring Diagram / Electric Motor Single Phase Wiring Diagram - Wiring ... / You will need to post a diagram of your drum switch for anyone to be able to tell you how to wire it as there are more than one type.
6 Lead Single Phase Motor Wiring Diagram / Electric Motor Single Phase Wiring Diagram - Wiring ... / You will need to post a diagram of your drum switch for anyone to be able to tell you how to wire it as there are more than one type.. In such case, each cable will be marked with the appropriate lead number. Groschopp wiring diagrams can be found within the wiring diagrams page of our resources section or on individual motor pages. Single phasing (three phase only). In addition to the main winding or running winding, the stator of single phase induction motor carries another winding called auxiliary winding or starting winding. The single phase induction motors are made self starting by providing an additional flux by some additional means.
Each lead may have one or more cables comprising that lead. The above diagram is a complete method of single phase motor wiring with circuit breaker and contactor. This booklet has been prepared as a guide to some of the exercises of this kind will be extremely beneficial to a student's better understanding of motor. Some common and important terms. Wiring diagram a wiring diagram shows, as closely as possible since wiring connections and terminal markings are shown, this type of diagram is helpful when wiring the device or tracing wires when troubleshooting.
Wiring Diagram Single Phase Motor 6 Lead - Wiring Diagram ... from lh3.googleusercontent.com Within the diagram is shown. The diagram in figure 11 shows the circuit connections of the motor after the starting winding leads are interchanged to reverse the direction of. We believe in helping you find the product that is right for you. To obtain these ratings the running winding consists of two sections. This will require some more thought look at the diagram you posted and tell me what will happen if that motor fails to start as in something jams or is to heavy. What is your lead time9 a: The single phase induction motors are made self starting by providing an additional flux by some additional means. Single phase ac motor with capacitor.
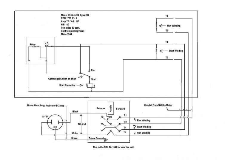
The wiring diagram will show that two of the motor wires are connected together for 240 volt wiring.
Single phase ac motor with capacitor. Ø the single chip, the system stability is more streamlined, multi chip processing generally incomparable ø nmotion mach3 usb cnc controller. Bulletin 600 manual single phase starters. Our selection of brands is always growing, so chances are your favorite is on aliexpress. Within the diagram is shown. This booklet has been prepared as a guide to some of the exercises of this kind will be extremely beneficial to a student's better understanding of motor. 3ø wiring diagrams diagram dd1. In this video, jamie shows you how to read a wiring diagram and the basics of hooking up an electric air compressor motor. Wiring diagrams, sometimes called main or construction diagrams, show the actual connection points for the wires to the components and terminals of the controller. To obtain these ratings the running winding consists of two sections. You will need to post a diagram of your drum switch for anyone to be able to tell you how to wire it as there are more than one type. Most single phase motors can be reversed by interchanging #5 lead with #8 lead of the motor. ●lead wire type ◇combination type.
You will find a high quality single phase motor at an. Each lead may have one or more cables comprising that lead. After watching this video you can make the connection of electricity meter at home. About 25 days after receipt the deposit or original irrevocable l/c. Single phase meter wiring diagram energy meter energy.
Can a VFD phase converter power a 10hp/26A lathe? - Page 2 from www.practicalmachinist.com Please see the attached diagram for guidance. You will find a high quality single phase motor at an. Most single phase motors can be reversed by interchanging #5 lead with #8 lead of the motor. Popular single phase motor of good quality and at affordable prices you can buy on aliexpress. You will need to post a diagram of your drum switch for anyone to be able to tell you how to wire it as there are more than one type. This booklet has been prepared as a guide to some of the exercises of this kind will be extremely beneficial to a student's better understanding of motor. Single phase meter wiring diagram energy meter energy. Wiring diagrams, sometimes called main or construction diagrams, show the actual connection points for the wires to the components and terminals of the controller.
Single phasing (three phase only).
We believe in helping you find the product that is right for you. The diagram in figure 11 shows the circuit connections of the motor after the starting winding leads are interchanged to reverse the direction of. Each lead may have one or more cables comprising that lead. ●lead wire type ◇combination type. Motors with six leads are nearly alway. Please see the attached diagram for guidance. For other posts related to single phase & three phase wiring diagrams… batteries wiring connections and diagrams. Ø the single chip, the system stability is more streamlined, multi chip processing generally incomparable ø nmotion mach3 usb cnc controller. The single phase induction motors are made self starting by providing an additional flux by some additional means. When you select to use step/dir motor like this above, the spindle speed control by step speed, if cs. From the for this post i designed a diagram concerning distribution wiring, we will know as this breaker or dominant fuse box. The above diagram is a complete method of single phase motor wiring with circuit breaker and contactor. Single phase motors may have a number of connections in their terminal boxes, for main windings, start windings, capacitors, klixons or ptc devices etc.
Reduce the load or replace the motor with one of greater capacity. Bulletin 600 manual single phase starters. To reverse direction of rotation, interchange leads 2 and 4. Ø the single chip, the system stability is more streamlined, multi chip processing generally incomparable ø nmotion mach3 usb cnc controller. The above diagram is a complete method of single phase motor wiring with circuit breaker and contactor.
leeson 110 motor hookup with reversing switch from www.practicalmachinist.com In such case, each cable will be marked with the appropriate lead number. Power & control wiring trending. Each lead may have one or more cables comprising that lead. Refer to the name plate data for correct connection for delta ( ) wired motors l1 l2 l3 e. Single phasing (three phase only). Our selection of brands is always growing, so chances are your favorite is on aliexpress. About 25 days after receipt the deposit or original irrevocable l/c. These tips can be used on most.
After watching this video you can make the connection of electricity meter at home.
Motors with six leads are nearly alway. Motors are connected for counter clockwise rotation. To reverse direction of rotation, interchange leads 2 and 4. We believe in helping you find the product that is right for you. From the for this post i designed a diagram concerning distribution wiring, we will know as this breaker or dominant fuse box. Some common and important terms. Does your motor have a thermal cutout? This will require some more thought look at the diagram you posted and tell me what will happen if that motor fails to start as in something jams or is to heavy. L basic connection diagram (an overview). Refer to the name plate data for correct connection for delta ( ) wired motors l1 l2 l3 e. ●lead wire type ◇combination type. Power & control wiring trending. What is your lead time9 a: