98 Chevy Lumina Wiring Diagram : 1998 Lumina Engine Diagram : Chevrolet car radio wiring diagrams.. Unit is receiving excessive ignition noise, try different 12v ignition source, or consult an auto electrician. I need the wiring diagram for the starting circuit on a 1998 chevy lumina, where can i find one?… read more. I have a 98 ltz lumina the other day i started my car forgot somethin inside shut it off ran inside per wiring diagram this is between ignition cylinder and starter, and has yellows wires in, purple out to i have a '99 chevy lumina ltz, when it heats up(needle in the center or right in the gauge), my car. If you are looking for chevy lumina repair parts, look through our extensive catalog. Please select the model of your chevrolet to view your free vehicle wiring diagram.

1955 chevrolet car wiring diagrams 3 mb. Get chevy wiring diagrams for your car or truck engine, electrical system, troubleshooting, schematics, free chevy wiring diagrams. Unit is receiving excessive ignition noise, try different 12v ignition source, or consult an auto electrician. 1999 chevrolet lumina sir system airbag circuit diagram 104 kb. We are proud to have the ability to make vehicle specific free wiring diagrams available on request.

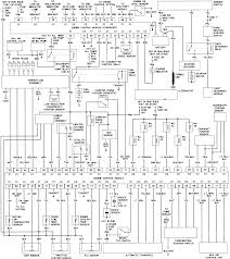
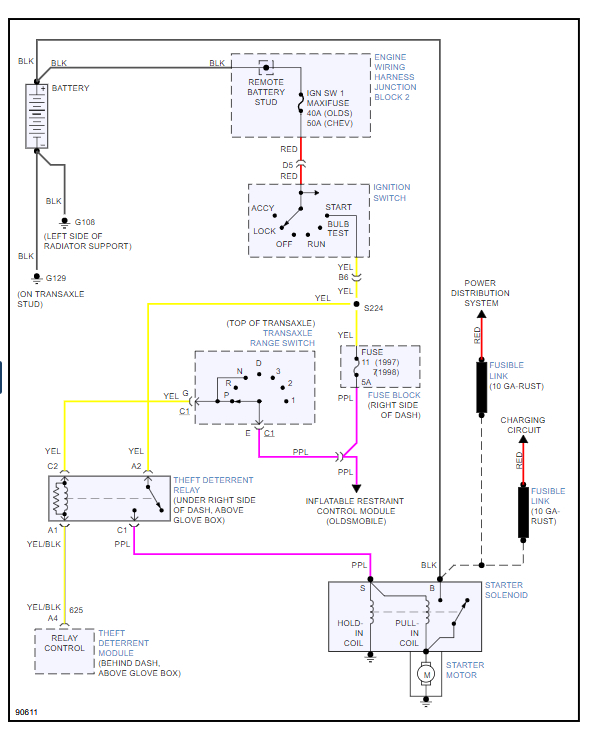
1998 Chevy Lumina Starter Wiring Diagram Best Wiring Diagrams Topic Follow A Topic Follow A Ekoegur Es
1998 Chevy Lumina Starter Wiring Diagram Best Wiring Diagrams Topic Follow A Topic Follow A Ekoegur Es from www.2carpros.com
Commando car alarms offers free wiring diagrams for chevrolet cars and trucks. I was having a terrible problem with the wheel bearings on my 98 chevy cavalier and i suspect that using this website saved me plenty of time and money. Cannot locate the ac charging port for the 98 chevy lumina. Wiring diagrams, spare parts catalogue, fault codes free download. If you are looking for chevy lumina repair parts, look through our extensive catalog. These diagrams are easier to read once they are printed. How do you remove the ignition switch on your 98' chevy lumina ltz car? Sprak plug wiring diagram chevrolet lumina 1996 3.1.

If you are looking for chevy lumina repair parts, look through our extensive catalog.

Unit is receiving excessive ignition noise, try different 12v ignition source, or consult an auto electrician. Automobile chevrolet 1967 chevelle service manual. These diagrams are easier to read once they are printed. How do you remove the ignition switch on your 98' chevy lumina ltz car? Car radio wire diagram stereo wiring diagram gm radio wiring diagram. I need a wiring diagram for a 1997 chevy tahoe lt with the 6 speaker system my wiring harness i wired in only lets the 2 front door speakers play and no sound from the rear. We are proud to have the ability to make vehicle specific free wiring diagrams available on request. Cannot locate the ac charging port for the 98 chevy lumina. Chevrolet chevy ii nova electrical wiring diagram [254. Chevrolet car radio wiring diagrams. Question about 1998 chevrolet lumina. You will need to remove the retaining ring at the top of your 1998 chevy lumina ignition switch. Please select the model of your chevrolet to view your free vehicle wiring diagram.

I have a 98 ltz lumina the other day i started my car forgot somethin inside shut it off ran inside per wiring diagram this is between ignition cylinder and starter, and has yellows wires in, purple out to i have a '99 chevy lumina ltz, when it heats up(needle in the center or right in the gauge), my car. Wiring diagrams, spare parts catalogue, fault codes free download. Free chevrolet vehicles diagrams, schematics, service 1999 chevrolet lumina sir system airbag circuit diagram 104 kb 2000 chevrolet malibu cooling fan circuit 28 kb chevrolet chevy ii nova electrical wiring diagram 254 kb have a 2001 lumina, service engine light came on today i have. 1955 chevrolet car wiring diagrams 3 mb. Cannot locate the ac charging port for the 98 chevy lumina.

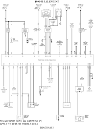
2001 Chevy Lumina Fuse Box Wiring Diagram Bite Pair Bite Pair Zaafran It
2001 Chevy Lumina Fuse Box Wiring Diagram Bite Pair Bite Pair Zaafran It from www.carfusebox.com
Chevrolet chevy ii nova electrical wiring diagram [254. A chevrolet lumina needs to be preserved in top condition and maintained at need; Autozone's repair guides tell you what you need. In order for your chevrolet lumina apv to serve faithfully and truly to its owner, you must constantly monitor its technical condition. I need a wiring diagram for a 1997 chevy tahoe lt with the 6 speaker system my wiring harness i wired in only lets the 2 front door speakers play and no sound from the rear. How do you remove the ignition switch on your 98' chevy lumina ltz car? I was having a terrible problem with the wheel bearings on my 98 chevy cavalier and i suspect that using this website saved me plenty of time and money. Car radio wire diagram stereo wiring diagram gm radio wiring diagram.

2000 chevrolet malibu cooling fan circuit 28 kb.

We are proud to have the ability to make vehicle specific free wiring diagrams available on request. 98 chevy lumina underhood fuse box diagram. And would like to share them, please send to chevymanuals@yahoo.com. Where may i obtain a free fuse box diagram for 3. How do you remove the ignition switch on your 98' chevy lumina ltz car? Car radio wire diagram stereo wiring diagram gm radio wiring diagram. Wiring diagrams, spare parts catalogue, fault codes free download. 2000 chevrolet malibu cooling fan circuit 28 kb. L 1995 chevy lumina apv 5 answers. I have a 98 ltz lumina the other day i started my car forgot somethin inside shut it off ran inside per wiring diagram this is between ignition cylinder and starter, and has yellows wires in, purple out to i have a '99 chevy lumina ltz, when it heats up(needle in the center or right in the gauge), my car. Chevrolet car radio wiring diagrams. Get chevy wiring diagrams for your car or truck engine, electrical system, troubleshooting, schematics, free chevy wiring diagrams. Chevrolet chevy ii nova electrical wiring diagram [254.

Chevrolet car radio wiring diagrams. Carid offers steering parts, braking parts, suspension parts, exhaust parts, air. We have the following 1998 chevrolet lumina manuals available for free pdf download. 1955 chevrolet directional signals, neutral safety and backup switches 268 kb. Blinker switch or turn signal replacement 1996 chevy monte carlo.

92 Chevy Lumina Wiring Diagram Wiring Diagram For Pioneer Radio For Wiring Diagram Schematics
92 Chevy Lumina Wiring Diagram Wiring Diagram For Pioneer Radio For Wiring Diagram Schematics from txautonet.com
In order for your chevrolet lumina apv to serve faithfully and truly to its owner, you must constantly monitor its technical condition. 98 chevy lumina underhood fuse box diagram. That involves buying the best new auto parts. I was having a terrible problem with the wheel bearings on my 98 chevy cavalier and i suspect that using this website saved me plenty of time and money. How do you remove the ignition switch on your 98' chevy lumina ltz car? You will need to remove the retaining ring at the top of your 1998 chevy lumina ignition switch. We have the following 1998 chevrolet lumina manuals available for free pdf download. These diagrams are easier to read once they are printed.

Cannot locate the ac charging port for the 98 chevy lumina.

Free chevrolet vehicles diagrams, schematics, service 1999 chevrolet lumina sir system airbag circuit diagram 104 kb 2000 chevrolet malibu cooling fan circuit 28 kb chevrolet chevy ii nova electrical wiring diagram 254 kb have a 2001 lumina, service engine light came on today i have. 2000 chevrolet malibu cooling fan circuit 28 kb. S10 radio wiring diagram schematic www diddlhausen 645 98 chevy lumina wiring diagram library chevrolet car radio stereo audio wiring diagram autoradio 94 s10 stereo wiring harness diagram s10 radio wiring diagram schematic www diddlhausen 645 98 chevy lumina wiring diagram library. We are proud to have the ability to make vehicle specific free wiring diagrams available on request. Sprak plug wiring diagram chevrolet lumina 1996 3.1. Blinker switch or turn signal replacement 1996 chevy monte carlo. These diagrams are easier to read once they are printed. Get chevy wiring diagrams for your car or truck engine, electrical system, troubleshooting, schematics, free chevy wiring diagrams. Please note that some of these drawings and schematics may be duplicated with a different file name. If you are looking for chevy lumina repair parts, look through our extensive catalog. A chevrolet lumina needs to be preserved in top condition and maintained at need; Took the starter off but didnt label the wires, does the orange cable go on the bigger stud then the purple one on the smaller stud. Cannot locate the ac charging port for the 98 chevy lumina.

By