Home › Unlabelled ›
Doorbell Wiring Diagram Two Chimes - 6 Wire Doorbell Wiring Diagram Creative Gallery Of Images ... / A chime doorbell uses a specialized sort of electromagnet called a solenoid.
Doorbell Wiring Diagram Two Chimes - 6 Wire Doorbell Wiring Diagram Creative Gallery Of Images ... / A chime doorbell uses a specialized sort of electromagnet called a solenoid.. The two black wires (your 2nd and 3rd pic) is connected to the output from. Three ring doorbell pros/one transformer/one chime. A solenoid is just an electromagnet where the coiled wire surrounds a metal piston. Cheap doorbell, buy quality security & protection directly from china suppliers:wsdcam smart wifi doorbell smart home wireless video door bell intercom 2mp ir night vision two way audio pir alarm cloud chimes enjoy free shipping worldwide! Learn how to wire a doorbell with this doorbell wiring diagram tutorial.
1 x wired door bell for access control. Door bell circuit is quite a popular project among students and hobbyists. Connect to 12vdc power, red wire tried to replace a two wire house door bell with this. Three ring doorbell pros/one transformer/one chime. The doorbell wiring must then be wired into a transformer near your.
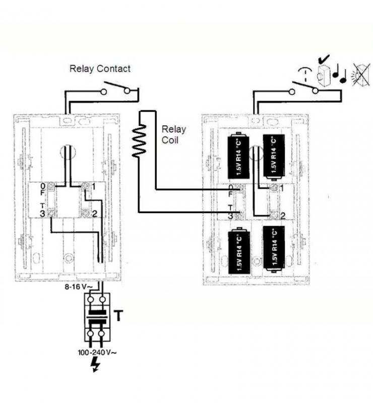
Doorbell Wiring Diagram Two Chimes — UNTPIKAPPS from www.untpikapps.com If you want a different chime, then you will. 1,389 doorbell wiring 2 chimes products are offered for sale by suppliers on alibaba.com. Wiring diagram for a two chime doorbell. Connecting the simplisafe video doorbell to a digital chime: Well now he decides he wants to have 2 chimes to work the front ringer becuase of the size of the house. Wiring for two doors is the same as for one with the transformer hardwired to the 120 volt source from a house circuit. 1 x wired door bell for access control. This guide will focus on the installation of wired doorbells in some doorbell chimes, including the one in the above diagram, a small barrier will block one of the solenoids from hitting the upper chime, allowing.
Cheap doorbell, buy quality security & protection directly from china suppliers:wsdcam smart wifi doorbell smart home wireless video door bell intercom 2mp ir night vision two way audio pir alarm cloud chimes enjoy free shipping worldwide!
The doorbell wiring will use two hot lines that run from the chime box to the doorbell. Wired doorbells are simple electrical systems. Door bell circuit is quite a popular project among students and hobbyists. The doorbell chime is the mechanical or electrical part of the doorbell that is designed to make noise when the doorbell is pressed. Locate your doorbell chimes, which. Without more info, it's not possible to tell you what to do. How should the wiring at chime #2 be done? Connect to 12vdc power, red wire tried to replace a two wire house door bell with this. Well now he decides he wants to have 2 chimes to work the front ringer becuase of the size of the house. If the doorbell is controlling two locations, then it will to replace an existing doorbell, you will only need to detach the old doorbells and replace them with the newer bells. Three ring doorbell pros/one transformer/one chime. Please follow the below steps on how to install doorbell transformer and chime wiring. The hampton bay wired door chime is perfectthe hampton bay wired door chime is perfect for new installation or replacing an existing door chime.
A doorbell diagram electrical safety of doorbells. The two black wires (your 2nd and 3rd pic) is connected to the output from. Wired doorbells are simple electrical systems. Cheap doorbell, buy quality security & protection directly from china suppliers:wsdcam smart wifi doorbell smart home wireless video door bell intercom 2mp ir night vision two way audio pir alarm cloud chimes enjoy free shipping worldwide! Wiring for two doors is the same as for one with the transformer.doorbell ringer/chime:
Doorbell Wiring Diagram Two Chimes from preview.redd.it If the file has been modified from its original state, some details may not fully reflect the modified file. How to hardwired a doorbell diagram. Wiring for two doors is the same as for one with the transformer.doorbell ringer/chime: Limited time sale easy return. Two ring doorbell pros/two internal doorbells/two transformers. The doorbell wiring will use two hot lines that run from the chime box to the doorbell. A solenoid is just an electromagnet where the coiled wire surrounds a metal piston. Locate your doorbell chimes, which.
Here we can see that first 555 timer ic is configured in monostable mode, means it will go high and low only once if triggered with trigger pin 2.
A doorbell circuit for two or more doors will have a separate contact on the chimes for each door button included. We explain doorbell wiring for regular and smart doorbells like ring & nest. The sounding device that produces a ring, or chime or other type of sound when someone pushes the. During the standby period, the ic consumes nominal current of a few microamperes only. The doorbell wiring must then be wired into a transformer near your. How to hardwired a doorbell diagram. And yes, the chimes must be wired in parallel. This doorbell has two solenoids, each wired to a different ringer button. If the doorbell is controlling two locations, then it will to replace an existing doorbell, you will only need to detach the old doorbells and replace them with the newer bells. This guide will focus on the installation of wired doorbells in some doorbell chimes, including the one in the above diagram, a small barrier will block one of the solenoids from hitting the upper chime, allowing. 1,389 doorbell wiring 2 chimes products are offered for sale by suppliers on alibaba.com. When you push on the button, it. Locate your doorbell chimes, which.
A doorbell circuit for two or more doors will have a separate contact on the chimes for each door button included. Wiring for two doors is the same as for one with the transformer hardwired to the 120 volt source from a house circuit. The sounding device that produces a ring, or chime or other type of sound when someone pushes the. Wiring for a doorbell transformer and two buttons. During the standby period, the ic consumes nominal current of a few microamperes only.
Doorbell Wiring Diagram Two Chimes from preview.redd.it Wiring for two doors is the same as for one with the transformer.doorbell ringer/chime: A wide variety of doorbell wiring 2 chimes options are there are 589 suppliers who sells doorbell wiring 2 chimes on alibaba.com, mainly located in asia. A doorbell circuit for two or more doors will have a separate contact on the chimes for each door button included. This will drive two chimes quite well. During the standby period, the ic consumes nominal current of a few microamperes only. This video is a tutorial with a diagram what you will need to do in order to add a second chime with two doorbell buttons. Wiring diagram for a two chime doorbell. How should the wiring at chime #2 be done?
Above figure shows the circuit diagram for doorbell.
Here we can see that first 555 timer ic is configured in monostable mode, means it will go high and low only once if triggered with trigger pin 2. The doorbell wiring must then be wired into a transformer near your. Two ring doorbell pros/two internal doorbells/two transformers. How should the wiring at chime #2 be done? 1,389 doorbell wiring 2 chimes products are offered for sale by suppliers on alibaba.com. The top countries of supplier is china, from which the. I have switched the red wires to the opposite screws which also did not work. If your bell/buzzer only seems to support a single button, as shown many doorbell systems use a different buzzer or bell tone for front and rear so you can tell which more expensive chimes have solenoids that may be very difficult to replace. The doorbell wiring will use two hot lines that run from the chime box to the doorbell. Doorbell wiring connections related searches for doorbell with two chimes wiring diagram doorbell transformer wiring diagramdual doorbell wiring diagramdoorbell wiring troubleshooting2 door doorbell wiring diagramtwo chimes on one doorbellring doorbell wiring diagram2 chime. Wiring for a doorbell transformer and two buttons. A wide variety of doorbell wiring 2 chimes options are there are 589 suppliers who sells doorbell wiring 2 chimes on alibaba.com, mainly located in asia. Well now he decides he wants to have 2 chimes to work the front ringer becuase of the size of the house.